پیشگام دوازده سیلندرها؛ داستان پاکارد Twin Six 1916

اوایل قرن بیستم، رقابت میان خودروسازان آمریکایی بیشتر بر سر راحتی و لوکس بودن جریان داشت تا سرعت. در این فضای رقابتی، پاکارد با معرفی Twin Six در سال ۱۹۱۵–۱۹۱۶، نخستین موتور V12 تولید انبوه جهان را به بازار عرضه کرد. این تصمیم نهتنها جایگاه پاکارد را به عنوان پیشگام لوکس تثبیت کرد، بلکه مسیر مهندسی موتورهای بزرگ و نرم را برای دههها بعد هموار ساخت.
روایت تاریخی جسارت یک مهندس جوان
به گزارش آخرین خودرو، طراح اصلی Twin Six، جسی وینسنت، مهندس ۳۵ سالهای بود که بعدها در جنگ جهانی اول موتور Liberty V12 هواپیما را هم طراحی کرد. او تا سال ۱۹۴۶ مهندس ارشد پاکارد باقی ماند. داستان Twin Six، در واقع داستان جسارت یک مهندس جوان است که با انتخابهای غیرمعمول، محصولی ساخت که صنعت خودرو را متحول کرد.
وینسنت در شرایطی کار خود را آغاز کرد که بازار خودروهای لوکس آمریکا تحت سلطه Cadillac و Buick بود. معرفی یک موتور دوازده سیلندر، آن هم در مقیاس تولید انبوه، ریسکی بزرگ محسوب میشد. اما همین ریسک، پاکارد را به نماد نوآوری بدل کرد.


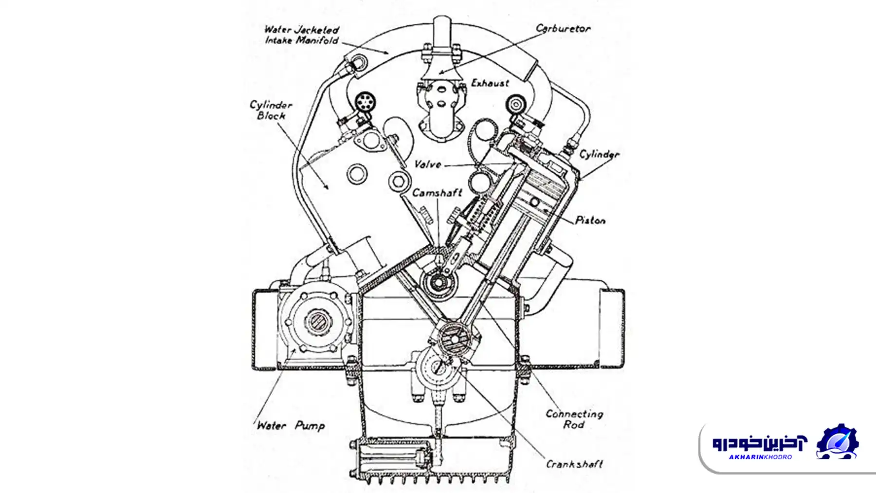
مهندسی در خدمت روایت
هرچند تمرکز ما بر تاریخ است، اما نمیتوان از نوآوریهای فنی گذشت:
سه یاتاقان اصلی: برخلاف انتظار، میللنگ کوتاه و سخت با سه یاتاقان طراحی شد تا لرزشها کاهش یابد.
زاویه ۶۰ درجه و جابهجایی سیلندرها: این طراحی باعث شد شاتون ها مشترک باشند و موتور جمع و جورتر شود.
نرمی بیرقیب: وینسنت عملکرد موتور را به «حرکت بخار» تشبیه کرد؛ ۱۲ ضربه احتراق در هر چرخه، تجربهای بیسابقه از آرامش رانندگی ایجاد میکرد.
این جزئیات مهندسی، بخشی از روایت تاریخیاند؛ نشان میدهند که نوآوری فنی چگونه به هویت فرهنگی یک برند تبدیل میشود.
بازار و جایگاه اجتماعی
Twin Six با قیمت ۲۶۰۰ تا ۴۶۰۰ دلار عرضه شد؛ حدود ۵۰٪ گرانتر از Cadillac V8. با وجود این اختلاف قیمت، فروش موفقی داشت و تا سال ۱۹۲۳ تولید شد. مشتریان حاضر بودند هزینه بیشتری بپردازند تا تجربهای بیرقیب از نرمی و قدرت داشته باشند. این نشان میدهد که نوآوری هدفمند میتواند حتی در بازار لوکس، مانع قیمت را از میان بردارد.
در آن زمان، داشتن یک Packard Twin Six نهتنها نشانه ثروت، بلکه نماد جایگاه اجتماعی بود. این خودرو بهسرعت در میان سیاستمداران، هنرمندان و صاحبان صنایع محبوب شد و به بخشی از فرهنگ لوکس آمریکایی تبدیل گردید.

میراث فرهنگی و صنعتی
تثبیت Packard به عنوان برند لوکس: Twin Six پَکارد را در ذهن مشتریان به عنوان نماد نوآوری و کیفیت جا انداخت.
پیوند با صنعت هواپیما: تجربه Twin Six مستقیم به طراحی موتور Liberty V12 در جنگ جهانی اول منتقل شد.
الهام برای آینده: موتورهای چندسیلندر لوکس در دهههای بعد، از Cadillac گرفته تا Rolls-Royce، میراث Twin Six را ادامه دادند.
این میراث نشان میدهد که یک تصمیم مهندسی میتواند فراتر از صنعت خودرو، بر فرهنگ و حتی بر صنایع دیگر اثر بگذارد.
درسهایی برای امروز
Twin Six نشان میدهد که تاریخ صنعت خودرو فقط مجموعهای از مدلها نیست؛ بلکه روایتهایی از جسارت مهندسی و تصمیمهای اقتصادی هوشمندانه است. پَکارد با این موتور، نهتنها محصولی لوکس عرضه کرد، بلکه داستانی ساخت که هنوز هم ارزش بازگویی دارد: داستانی که در آن نوآوری فنی، به میراث فرهنگی تبدیل شد.
برای صنعت امروز، چند درس مهم از Twin Six قابل برداشت است:
جسارت در نوآوری: حتی شرکتهای کوچکتر میتوانند با تصمیمهای جسورانه مسیر بازار را تغییر دهند.
تجربه مشتری فراتر از عددهای فنی: نرمی و آرامش رانندگی، همان چیزی بود که مشتریان حاضر شدند برایش هزینه بیشتری بپردازند.
پیوند میان مهندسی و روایت فرهنگی: وقتی یک محصول به بخشی از فرهنگ تبدیل شود، ارزش آن فراتر از مشخصات فنی خواهد بود.


سخن پایانی
Packard Twin Six 1916 بیش از یک موتور یا یک خودرو بود؛ نقطهی عطفی در تاریخ صنعت خودرو. این محصول نشان داد که نوآوری فنی میتواند به میراث فرهنگی تبدیل شود و یک برند را برای همیشه در ذهنها تثبیت کند. امروز، وقتی به Twin Six نگاه میکنیم، فقط یک موتور دوازده سیلندر نمیبینیم؛ داستانی از جسارت، نوآوری و تأثیرگذاری میبینیم که هنوز هم الهامبخش است.
داستان موسلر MT900 ؛ افسانه نا شناخته
لندروور و بازآفرینی کلاسیکها ؛ وقتی دیفندر کلاسیک با رنگهای Octa دوباره جان میگیرد
روایت کمیابترین ماسل کار AMC ؛ داستانی از جاه طلبی، جسارت و فراموشی
مرکب خاموش پادشاه؛ نگاهی به سفارش دربار ایران به مازراتی




